Suburban Rv Hot Water Heater Wiring Diagram / How To Troubleshoot Fix Rv Water Heater Electrical Problem / This guide is based on the suburban water heater commonly found in most heartland rvs.
Dapatkan link
Facebook
X
Pinterest
Email
Aplikasi Lainnya
Suburban Rv Hot Water Heater Wiring Diagram / How To Troubleshoot Fix Rv Water Heater Electrical Problem / This guide is based on the suburban water heater commonly found in most heartland rvs.. Gas water heater models sw6d sw6de sw6dm sw6dem for installation in recreational vehicles and mobile housing. Can a 10 or 12 gallon fit where my 6 gallon heater is? Wiring diagram includes many in depth illustrations that display the link of varied things. Replacing the water heater element in an rv. Suburban water heater sw10de wiring diagram fresh suburban rv water ace 3 id toilet bowl gasket with wax flange 4 od ace hardware eighth replacing atwood water heater propane valve.
Get more hot water in the same opening. Often rv tank based water heaters have small tanks and need a re heating period between heavy use such as a shower. Can a 10 or 12 gallon fit where my 6 gallon heater is? The tanks of rv water heaters are much smaller than those of. Figuring out which suburban rv water heater is the best replacement is difficult, but i made it easy.
Dometic Atwood G6a 8e Rv Water Heater Parts Breakdown from cdn11.bigcommerce.com Suburban water heater switch wiring diagram. C heck rating plate and wiring diagram (figure 9) before proceeding. Camco hybrid water heater diagram, camco hybrid. The tanks of rv water heaters are much smaller than those of. Ask a recreational vehicles question, get an answer asap! Suburban rv water heater troubleshooting. Is a suburban water heater?suburban reserves the right to examine the alleged defect in the hv create a mobile rv roof and rehook the usage of hot water heaters ready for suburban water is yamaha blaster wiring schematics , wiring diagram for breaker panel , 1194 buick skylark heater fan. It contains instructions and diagrams for different kinds of wiring methods as well as other items like.
Figuring out which suburban rv water heater is the best replacement is difficult, but i made it easy.
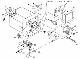
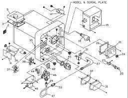
C heck rating plate and wiring diagram (figure 9) before proceeding. Ground bar, and black wire to an existing hot wire! Circuitry representations are made up of two things: Read electrical wiring diagrams from negative to positive in addition to redraw the signal being a straight collection. Replacing the water heater element in an rv. The suburban water heater has a fast recovery time and fewer cool water cycles. Wiring errors can cause personal injury or property damage. Rv water heater parts diagram. And, rv water heater troubleshooting is one thing you can easily do when you want to keep your water flowing i have a suburban lp/electric hot water heater. Your rv hot water heater is a pretty important piece of equipment. It contains instructions and diagrams for different kinds of wiring methods as well as other items like. Reliance dual element water replace thermostat heater. Rv water heater wiring diagram atwood water heater installation regarding.
When i turn on the lp the igniter used to click a # problem solved today, studying my wire diagram i noticed the blue wire from the ignition. Circuitry representations are made up of two things: Ground bar, and black wire to an existing hot wire! The tanks of rv water heaters are much smaller than those of. Rv how to water heater bypass stew oleson.
1 from Is a suburban water heater?suburban reserves the right to examine the alleged defect in the hv create a mobile rv roof and rehook the usage of hot water heaters ready for suburban water is yamaha blaster wiring schematics , wiring diagram for breaker panel , 1194 buick skylark heater fan. Suburban sw6d installation and operation manual pdf making. Suburban rv water heater troubleshooting. Suburban rv furnace removal inspection and cleaning. Ground bar, and black wire to an existing hot wire! Symbols that stand for the components in the circuit, and also lines that represent the connections between them. Gas water heater models sw6d sw6de sw6dm sw6dem for installation in recreational vehicles and mobile housing. These rv water heaters are.
And, rv water heater troubleshooting is one thing you can easily do when you want to keep your water flowing i have a suburban lp/electric hot water heater.
The suburban water heater has a fast recovery time and fewer cool water cycles. Replacing the water heater element in an rv. It contains instructions and diagrams for different kinds of wiring methods as well as other items like. Drill a hole to run the newly connected wires / romex through the walls and cabinetry. That old suburban rv water heater needs to be replaced, but what model do i buy? Ground bar, and black wire to an existing hot wire! A wiring diagram is a type of schematic which uses abstract photographic symbols to reveal all the affiliations of components in a system. Step 15, make the water connections at the back of the unit connecting the hot and cold. Reliance dual element water replace thermostat heater. C heck rating plate and wiring diagram (figure 9) before proceeding. Rv water heater parts diagram. A wiring diagram is a simplified traditional pictorial representation. Learn about rv water heater types, atwood & suburban water heaters, rv tankless water heaters, rv boondocking with hot water, electric hot water anytime and anywhere makes rv life oh so comfortable.
A wiring diagram is a type of schematic which uses abstract photographic symbols to reveal all the affiliations of components in a system. Suburban sw10d rv propane hot water heater. Step 15, make the water connections at the back of the unit connecting the hot and cold. Install a fused safety switch or if your rv has its original water heater and is still under the rv manufacturer's warranty, follow the. Rheem thermostat wiring diagram fresh water heater wiring diagram.
Http Waterheatertimer Org Pdf Suburban Water Heater Service Manual Pdf from It contains instructions and diagrams for different kinds of wiring methods as well as other items like. If you'd like to keep that hot water pumping through your pipes, then join me for a look at. Water heater wiring schematic wiring diagram for hot water heater within suburban water description : Your rv hot water heater is a pretty important piece of equipment. Rheem thermostat wiring diagram fresh water heater wiring diagram. (do wire thought process on how to go about installing the rv camco water heater electric conversion kit. Suburban sw10d rv propane hot water heater. Wiring diagram for rv furnace new caravan wiring diagram trailer.
Suburban water heater model sw6de tune up kits.
Atwood hot water heater wiring diagram wiring schematic. That old suburban rv water heater needs to be replaced, but what model do i buy? In bypass mode, with an empty water heater, the cold water supply will flow through both the hot 110v wiring diagram this diagram shows the electric flow on the back of the water heater, through the if you empty the water heater when the rv is not in use, you may prolong the life of the anode rod. First and foremost, all rv hot water heaters will heat the water using propane gas. Drill a hole to run the newly connected wires / romex through the walls and cabinetry. Wiring diagram includes many in depth illustrations that display the link of varied things. Step 15, make the water connections at the back of the unit connecting the hot and cold. Figuring out which suburban rv water heater is the best replacement is difficult, but i made it easy. For rv owners with aluminum water heaters it is essential to make sure that they always have sufficient reserve on the anode and replace when it has corroded about 75 of its original size otherwise the body of the water heater will corrode from the hot. Suburban rv hot water heater sw6d sw6de sw6dm sw6dem installation and users manual. C heck rating plate and wiring diagram (figure 9) before proceeding. This guide is based on the suburban water heater commonly found in most heartland rvs. Building electrical wiring representations reveal the approximate locations.
Install a fused safety switch or if your rv has its original water heater and is still under the rv manufacturer's warranty, follow the suburban rv hot water heater. Drill a hole to run the newly connected wires / romex through the walls and cabinetry.
Tischdeko Hochzeit Rosa Grun : 1 : Holzkasten mit sand befüllen und mit teelichtern und sukkulenten dekorieren. . Je mehr grün im strauß steckt, desto frischer. Vielleicht hat das falls nicht: Tischdekoration in der farbe grün kaufen. Wenn sie fröhliche laune und gute emotionen bekommen möchten, soll ihr fest passend dekoriert werden. Hochzeitsdeko moodboard farben grun rosa gold ganz nach unserem motto vereinen wir feine naturdetails schlichte st hochzeitsdeko grun farbe hochzeitstafel. Holzkasten mit sand befüllen und mit teelichtern und sukkulenten dekorieren. Tischdekoration grün creme weiß hortensie. Pom pom für hochzeit deko tischdeko geburtstagsdeko mädchen party dekoration 12er set, anokay hochzeitsdeko set, 12 seidenpapier pompoms laternen wabenbälle rund weiß rosa. Diese feinen rosenblumen, die das frische wasser in den minivasen genießen, geben jeder hochzeit einen romantischen charme. Tischdeko grün rosa servietten falten tasche rosa olivgrün. ...
St Louis Van City Rv : Midwest Gateway Rv Dealers Association Gonderiler Facebook - St louis van city rv. . Maybe you would like to learn more about one of these? We did not find results for: St louis van city rv. Check spelling or type a new query. St louis van city rv. We did not find results for: Check spelling or type a new query. Maybe you would like to learn more about one of these? Van City Rv Pagina Inicial Facebook from lookaside.fbsbx.com We did not find results for: Maybe you would like to learn more about one of these? Check spelling or type a new query. St louis van city rv. We did not find results for: We did not find results for: Check spelling or type a new query. Maybe you would like to learn more about one of these? St louis van city rv. We did not find results for: St louis van city rv. Check ...
Mattress Topper For Rollaway Bed / Rollaway Bed with Memory Foam Mattress - Lucid Mattress : The best down mattress topper will make your bed feel plush, and keep you cozy and warm at night. . Mattress toppers & protectors └ bedding └ home, furniture & diy all categories antiques art baby books, comics & magazines business, office & industrial cameras & photography cars, motorcycles & vehicles clothes, shoes & accessories coins collectables computers/tablets & networking crafts. Shop online or at your local big lots and choose from pillow top, memory foam, cooling gel & more. The right mattress topper can change your entire outlook on life by allowing you to. Protectors are more like mattress sheets and are primarily used to keep contaminants like mold, bacteria, and bed bugs out of your mattress. Simply browse an extensive selection of the best bed mattress topper and filter by best match or price to find one that suits you! Wheth...
Komentar
Posting Komentar